| Sign In | Join Free | My wneducation.com |
|
Brand Name : PVkingdom
Model Number : YT-AC
Certification : CCC/ISO
Place of Origin : China
MOQ : 1piece
Price : Negotiable
Payment Terms : T/T, L/C
Delivery Time : 15 working days after the receipt of payment
Packaging Details : Export packaging
Product name : PV combiner box
Model : YT-AC
Installed Power : 220-800V
Box material : Stainless steel/cold rolled plate spraying/stainless steel spraying
Level of protection : Outdoor IP65
Installation ways : Wall mounted or floor-standing(customizable)
String Inverter Power : 5、10、15、20、25、30、40、50、60、80、100、110、125、175KW
Switch (optional) : ZJYITO, Delixi, Chint, ABB, Schneider, Changshu and others
IP65 220-800V AC PV Combiner Box 1-N String Inverter
YT-AC PV combiner box is primarily used for the string-level combiner of central photovoltaic grid-connected power generation systems. It is connected between the string-level grid-tied inverter and the grid metering cabinet. The product features protections such as input lightning protection and system overcurrent. The application of this product reduces the need for long-distance transmission of large cables, resulting in cost reduction and improved system efficiency for users. The product has obtained industry-standard CCC certification and IS09001 quality management system certification.
All components are sourced from well-known domestic or international brands, with authoritative certifications and complete qualifications. The exposed live parts inside are protected by flame-retardant, antistatic, and high-temperature-resistant transparent covers. The input and output circuit breakers are vertically installed in a forward direction and laid flat in the enclosure to ensure proper wiring and avoid misconnections. The main circuit adopts copper busbar connections with a corrosion-resistant and oxidized tin-plating process on the surface. Each phase wire is color-coded according to industry standards for clear identification. An optional intelligent monitoring system is available to monitor system voltage, main circuit current, switch status, and lightning protection status. The product is suitable for various voltage levels commonly used in the industry, such as 380Vac, 480Vac, and 540Vac. It is designed with a rainproof cover for outdoor installation.
Parameters:
| Model | YT-AC |
| String Inverter Power | 5,10,15,20,25,30,40,50,60,80,100,110,125,175KW |
| Number of inverter input | 1~N(on demand) |
| Number of output | 1 |
| Converter requirement | Single phase, three phase convergence |
| System voltage | AC:220V,AC:380V,AC:540V,AC:800V |
| Branch switching capacity (optional) | 32A,63A,80A,100A,125A,160A 200A,250A,400A,630A,800A |
| Switch (optional) | ZJYITO, Delixi, Chint, ABB, Schneider, Changshu and others |
| Protection Function | |
| Short circuit protection | with |
| Overload protection | with |
| Lightning protection | with(Nominal current:In:20KA,Imax:40KA,Up≤4kV) |
| Lightning Failure Protection | with |
| Temperature & Humidity | Operating temperature: -25 to +60℃ Storage temperature: -40 to +70℃ Humidity: 0-90%no frost; Non-corrosive gas sites (if any, please specify) |
| Altitude | ≤3000M |
| Salt spray resistance | Standard salt spray test 336 hours |
| Copper row | Purple Copper Row (Tin-plated Industrial) |
| Safety protection | PVC protection plate |
| Electrical Clearance | ≥14mm |
| Creepage distance | ≥25mm |
| Insulation resistance | >20MΩ |
| Insulation voltage | AC3000V,1MIN |
| Material of the box | Stainless steel/cold rolled plate spraying/stainless steel spraying |
| Level of protection | Outdoor IP65 |
| Box types | Single door |
| Installation ways | Wall mounted or floor-standing(customizable) |
| Box size | Customize on demand |
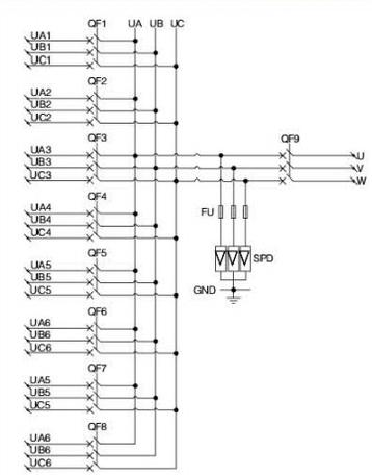
Diagrams for AC PV Combiner Box

Wiring diagram Layout diagram
|
|
AC220V-800V 2 String PV Combiner Box IP65 Photovoltaic Junction Box Images |